BGL - Extension Tubes
Extension Tubes
The hydraulic sleeves are provided with grooves for the oil injection, greatly facilitating the disassembly of the set(Bearing and hydraulic sleeve), especially after long time of using. The hydraulic sleeves have thin walls and, when mounted far from the face of the axle, they require a connection suitably small, so that the hydraulic pump can be connected correctly. To meet this need the BGL has extension tubes suitable for every possibility of oil entering into the sleeves, being M4, M6, M8, G1/8, G1/4 joined at the other end with thread ¼ BSP to be connected with the hose of the pump outlet.
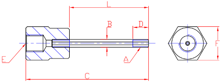
AThread
BOutside diameter of the tube
CTotal length
DThread length
EThread of the nipple
FDimension of the hex screw
LEffective length of the tube
  Code     A     B  
mm
  C  
mm
  D  
mm
  E     F  
mm
  Maximum Work Pressure  
Mpa
  L  
mm
TE M4 01 M4x0.7 4 100 9 1/4 BSP 25.4 175 61
TE M6 01 M6x1 6 98 12 1/4 BSP 25.4 180 58
TE M6 02 M6x1 6 328 12 1/4 BSP 25.4 180 288
TE M8 01 M8x1.25 8 325 15 1/4 BSP 25.4 220 285
TE 1/8BSP 01 1/8x28F BSP 9.6 325 15 1/4 BSP 25.4 250 285
TE 1/4BSP 01 1/4x19F BSP 13 422 18 1/4 BSP 25.4 320 382
Search by code:
 
| PortuguêsPortuguês | EnglishEnglish | EspañolEspañol | DeutschDeutsch |
Didn't find the product you were looking for? We make special products under request, contact us.
www.bgl.com.br  info@bgl.com.br
This Catalog was made with the intention of avoiding any errors that could eventually happen. BGL reserves the right to change specifications when required without previous notice.
Copyright © 2006-2026 Bertoloto & Grotta Ltda. All rights reserved.


We use cookies to enhance your experience, to personalize our advertising and to recommend contents you may be interested in. By clicking ‘Proceed’, you agree to this monitoring.

For further information, please check our Privacy Notice and Cookie Policy

Proceed
BGL - Bertoloto & Grotta Ltda. | Sleeves for Bearings.
Av. Major José Levy Sobrinho, 1296 | Boa Vista
13486.190 | Limeira-SP | Brasil
+55 (19) 3451.8210 | +55 (19) 99392.2793 | info@bgl.com.br

All Rights Reserved
Sphera development